详细说明

HDMI-AF02

暂无价格
收藏
  • 商品说明
  • 商品参数

性能参数 

PRODUCT SPECIFICATIONS:
1、VOLTAGE RATING:40V
2、CURRENT RATING:0.5A MAX
3、INSULATION RESISTANCE:100MEG.OHM MIN
4、CONTACT RESISTANCE:30 MILL. HM MAX
5、OPERATION TEMPERATURE:-20oTO+85o
6、INSERT FORCE:44.1N MAX
7、EXTRACT FORCE:9.8N MIN
8、DURABILITY:10000 CYCLES


用途 
数码相机, MP3|MP4, 汽车, 手机, 音响, 白色家电, 保健用品, 通讯设备, 机器人及产业机械

规格



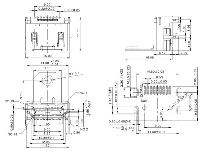
16.08mm1000PCS贴片安装15.0mm*11.55mm


关于我们

品牌中心

产品中心

新闻动态

深圳市步步兴科技有限公司

乐清市步步兴科技有限公司 

地址:深圳市宝安区沙井街道德普电子城B-C546柜台   联系人周先生13828760161

地址:深圳市宝安区沙井街道德普电子城B-C358柜台   联系人赵先生13362370888

地址:深圳市宝安区沙井街道德普电子城B-4楼211办公室   联系人罗先生13570877868

地址:浙江省温州乐清石帆镇山前村                       联系人罗先生13588960076


电话直呼
在线留言
发送邮件
联系我们:
13088882002
暂无内容
还可输入字符250(限制字符250)
技术支持: 奇科(深圳)科技有限公司 | 管理登录
×
seo seo