详细说明

PJ-313B

暂无价格
收藏
  • 商品说明
  • 商品参数

性能参数
         额定负载  Ratin                   0.5A 30V DC
接触电阻  Contact Resistance      50mΩMAX
电气寿命  Electrical Life         5,000 cycles Min
适合温度  Ambient Temper.Used     -25 ℃ to 85℃        
拔插力    Operating Force         3-30N
焊接温度  Soldering Temper        260±5°10s
绝缘电阻  Insulation Resistance   100MΩMIN

 

用途
         数码相机, 蓝牙耳机, 汽车, 音响, 白色家电, 保健用品, 通讯设备, 机器人及产业机械

规格


 


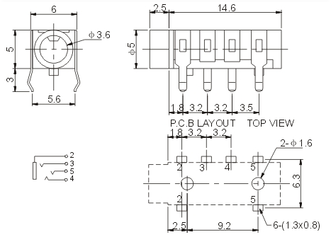
0.5A 30V插件安装5mm*6mm*17mm¢3.6mm


关于我们

品牌中心

产品中心

新闻动态

深圳市步步兴科技有限公司

乐清市步步兴科技有限公司 

地址:深圳市宝安区沙井街道德普电子城B-C546柜台   联系人周先生13828760161

地址:深圳市宝安区沙井街道德普电子城B-C358柜台   联系人赵先生13362370888

地址:深圳市宝安区沙井街道德普电子城B-4楼211办公室   联系人罗先生13570877868

地址:浙江省温州乐清石帆镇山前村                       联系人罗先生13588960076


电话直呼
在线留言
发送邮件
联系我们:
13088882002
暂无内容
还可输入字符250(限制字符250)
技术支持: 奇科(深圳)科技有限公司 | 管理登录
×
seo seo